Published:2011/8/23 22:12:00 Author:Borg | Keyword: BTL, power amplifier | From:SeekIC

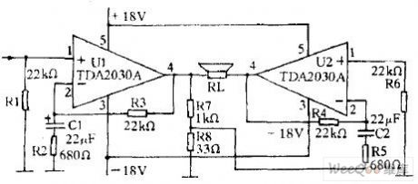
The main features of BTL are as follows: it consists of 2 power amplifiers of the same functions, and the input signals are inverting. In fact, both the inverting input and non-inverting input are used to make sure the input signals are inverting, at the same time, their amplitudes are the same, so the requirement of BTL circuit can be satisfied. The circuit is shown in the figure, after R7(1 kΩ) and R8(33 Ω) distribute the signal, the attenuating times are equal to the amplified times of U1, and the attenuated signal is added on the inverting terminal of U2 by R5.
Reprinted Url Of This Article:
http://www.seekic.com/circuit_diagram/Amplifier_Circuit/The_BTL_power_amplifier_circuit_made_of_TDA2030A.html
Print this Page | Comments | Reading(3)
Code: