Published:2011/6/28 0:59:00 Author:Borg | Keyword: DC servo, amplifier, photoelectric coupler | From:SeekIC

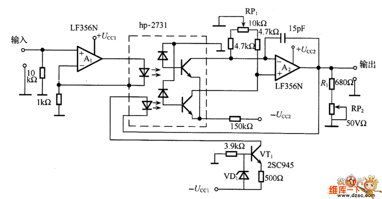
In the figure is the DC servo separator amplifier of photoelectric coupler. This circuit is transmitting DC signals in the servo way, which has a feedback loop, so the high stabilization is got. VT1 and so on compose a constant circuit, which drives the LED in the photoelectric coupler hp-2731, and offers the bias current of 4mA when the signal is 0. Hp-2731 is the double photoelectric coupler, which has the tracking function, to make the circuit stable, what needs to be make sure is that the current in each LED is equal. A2 is the differential amplifier.
Reprinted Url Of This Article:
http://www.seekic.com/circuit_diagram/Amplifier_Circuit/The_DC_servo_separator_amplifier_circuit_of_photoelectric_coupler.html
Print this Page | Comments | Reading(3)
Code: