Published:2011/6/20 21:59:00 Author:Seven | Keyword: low power, single terminal | From:SeekIC

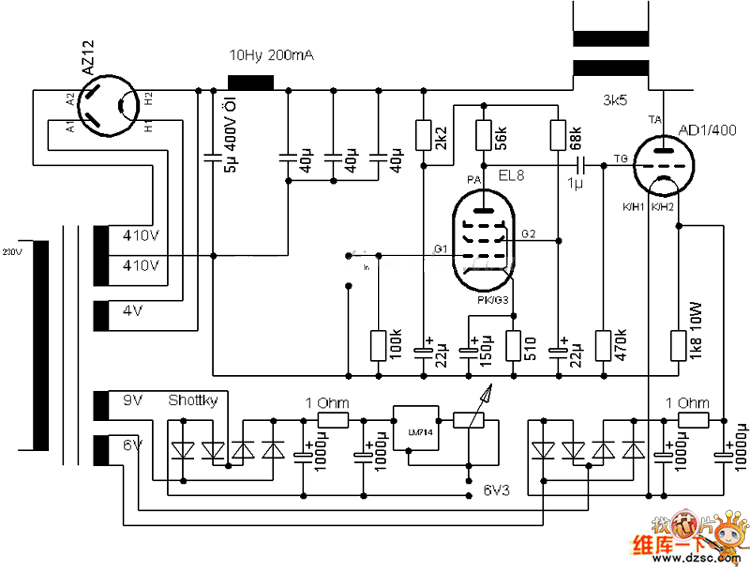
The EL8+AD1/400 low power single terminal circuit is shown in the above figure.
Reprinted Url Of This Article:
http://www.seekic.com/circuit_diagram/Amplifier_Circuit/The_EL8_AD1_400_low_power_single_terminal_circuit.html
Print this Page | Comments | Reading(3)
Code: