Published:2011/6/20 22:02:00 Author:Seven | Keyword: op-amp | From:SeekIC


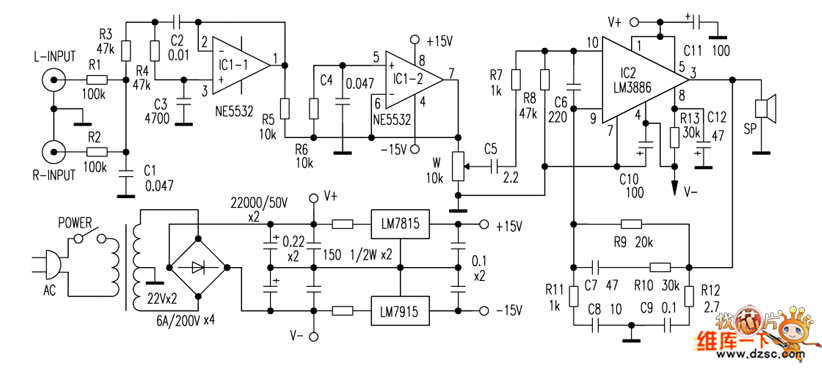
The IM3886 op-amp circuit is shown in the above circuit.
Reprinted Url Of This Article:
http://www.seekic.com/circuit_diagram/Amplifier_Circuit/The_IM3886_op_amp_circuit.html
Print this Page | Comments | Reading(3)
Code: