Published:2011/6/29 5:02:00 Author:Seven | Keyword: woofer, power amplifier | From:SeekIC

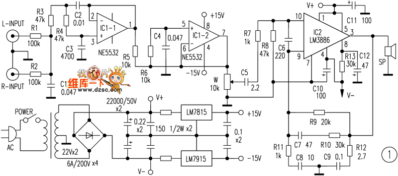
The IM3886 woofer power amplifier circuit is shown as above.
Reprinted Url Of This Article:
http://www.seekic.com/circuit_diagram/Amplifier_Circuit/The_IM3886_woofer_power_amplifier_circuit.html
Print this Page | Comments | Reading(3)
Code: