Published:2011/7/17 22:33:00 Author:Borg | Keyword: MOSFET drive | From:SeekIC

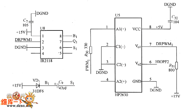
The drive core is MOSFET specialized drive core IR2118 which is produced by IR Corp., it is a single line drive; the photoelectric clutch, which can separate the electricity from light and improve the voltage function, is the HP2630 which is produced by HP Corp. The PWM output by DSP is driving IR2118 after it is separated by the photoelectric coupler HP2630, and then the signal output by IR2118 is driving MOSFET. Notes: only when the voltage is over 9.5V, does IR2118 regard it as the high LEV, or it is the low LEV, the circuit is shown in the figure.
Reprinted Url Of This Article:
http://www.seekic.com/circuit_diagram/Amplifier_Circuit/The_MOSFET_drive_circuit.html
Print this Page | Comments | Reading(3)
Code: