Published:2011/5/6 2:07:00 Author:Startrek | Keyword: Amplifier Circuit, Precision Instrument | From:SeekIC

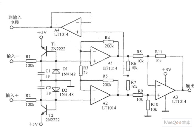
The Typical Amplifier Circuit of a Precision Instrument
Reprinted Url Of This Article:
http://www.seekic.com/circuit_diagram/Amplifier_Circuit/The_Typical_Amplifier_Circuit_of_a_Precision_Instrument.html
Print this Page | Comments | Reading(3)
Code: