Published:2011/8/11 21:17:00 Author:Borg | Keyword: multimedia, voice box, design circuit | From:SeekIC

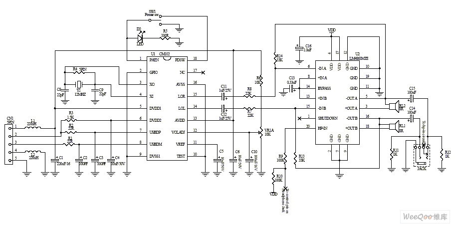
The USB multimedia 2.5W+2.5W voice box design circuit is shown as above.
Reprinted Url Of This Article:
http://www.seekic.com/circuit_diagram/Amplifier_Circuit/The_USB_multimedia_25W_25W_voice_box_design_circuit.html
Print this Page | Comments | Reading(3)
Code: