Published:2012/7/3 22:06:00 Author:Ecco | Keyword: amplifier | From:SeekIC

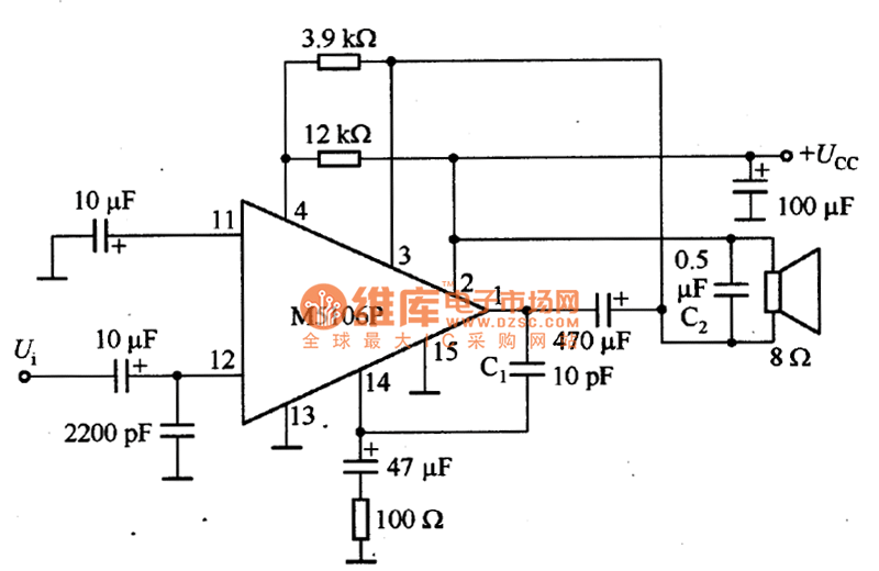
Figure 4-42 shows the amplifier circuit composed of M5106P. The circuit can be used as main power amplifier with output power in 1W. As the M5106P has no zero end, it is very easy to use. In order to make the circuit operation stably, you should note the following : pin 13 and pin 15 are grounded to the input end, and pin 1 and pin 14 should access phase compensation capacitor C1 to prevent the oscillating capacitance from connecting 8Ω speaker load. When the supply voltage is 9V , the output power is 1W; when the power supply voltage is 6V, it only can receive 0.5W output.
Reprinted Url Of This Article:
http://www.seekic.com/circuit_diagram/Amplifier_Circuit/The_amplifier_circuit_diagram_composed_of_M5106P.html
Print this Page | Comments | Reading(3)
Code: