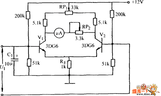
Published:2011/7/1 1:51:00 Author:Ecco | Keyword: amplifier , measuring, small current | From:SeekIC

Reprinted Url Of This Article:
http://www.seekic.com/circuit_diagram/Amplifier_Circuit/The_amplifier_circuit_diagram_for_measuring_small_current.html
Print this Page | Comments | Reading(3)
Code: