Published:2011/8/11 21:53:00 Author:Borg | Keyword: electron tube, crossing balance, inverting phase | From:SeekIC

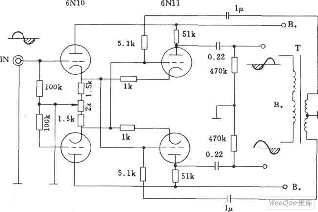
The electron tube crossing balance inverting phase circuit is also called Zell inverting phase circuit, in which 6N10 and 611 can be used as the pre-amplifier and phase inverter, and the circuit can be connected with the rear-end power amplifier tube installed with 300B.
Reprinted Url Of This Article:
http://www.seekic.com/circuit_diagram/Amplifier_Circuit/The_electron_tube_crossing_balance_inverting_phase_circuit.html
Print this Page | Comments | Reading(3)
Code: