Published:2012/10/25 21:05:00 Author:Ecco | Keyword: gain , programming, amplifier , PCB | From:SeekIC

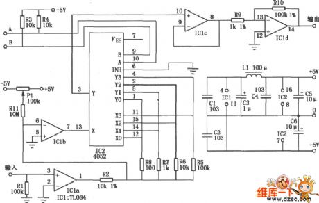
As shown in figure, the amplifier circuit can respectively provide 1, 10, 100, 1000 magnification factors under four kinds of logic level control, and each magnification bandwidth is greater than 30kHz, the entire circuit's current is less than 7mA under± 5V supply.
Reprinted Url Of This Article:
http://www.seekic.com/circuit_diagram/Amplifier_Circuit/The_gain_or_programming_amplifier_PCB_circuit_diagram.html
Print this Page | Comments | Reading(3)
Code: