Published:2011/8/11 21:54:00 Author:Borg | Keyword: high speed, phase inverting amplifier | From:SeekIC

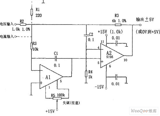
The high speed phase inverting amplifier circuit is shown in the figure.
Reprinted Url Of This Article:
http://www.seekic.com/circuit_diagram/Amplifier_Circuit/The_high_speed_phase_inverting_amplifier_circuit.html
Print this Page | Comments | Reading(3)
Code: