Published:2011/6/25 21:19:00 Author:qqtang | Keyword: high stability, pulse period | From:SeekIC

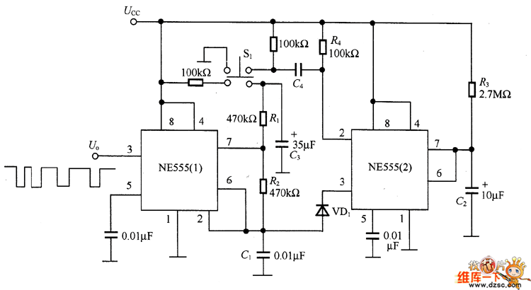
In the figure is the high stability pulse period gradual spread circuit. In the circuit, NE555(1) compose the pulse gradual spread timing circuit, NE555(2) compose the single steady trigger circuit, the NE555(1) and NE555(2) are connected by VD1. Before the key is pressed, the transistor inside NE555(2) is conducting, its 3-pin is outputting a low LEV, the diode VD1 is conducting and the voltage on capacitor C1 is 0, so the NE555(1) timer can't work.
When S1 is pressed, it will shake for some time.
Reprinted Url Of This Article:
http://www.seekic.com/circuit_diagram/Amplifier_Circuit/The_high_stability_pulse_period_gradual_spread_circuit.html
Print this Page | Comments | Reading(3)
Code: