Published:2011/6/5 2:00:00 Author:Seven | Keyword: energy-saving control | From:SeekIC

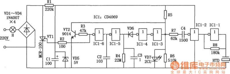
The light energy-saving control circuit can make the light be in OFF state in the daytime, when people walk by and make sounds at night, the light is working automatically, and it is power-saving and practical. It is suitable for the corridor lighting. In the following figure is the circuit of the controller.
Reprinted Url Of This Article:
http://www.seekic.com/circuit_diagram/Amplifier_Circuit/The_light_energy_saving_control_circuit.html
Print this Page | Comments | Reading(3)
Code: