Published:2011/6/23 3:16:00 Author:qqtang | Keyword: long-timing | From:SeekIC

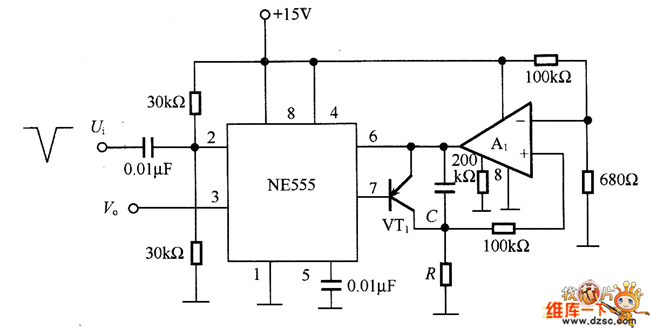
In the figure is the long-timing circuit of NE555. In the circuit, NE555 outputs a high LEV after it is triggered and the transistor in 7-pin is broken down. The integrator engages in linear integration to the reference voltage Uref generated by the resistor voltage, the integration output is rising along the line of Uref/(RC), the 6-pin trigger spot is (2/3)Ucc=10V. If Uref=0.1V, the delayed time that the threshold value UTH of NE555 rises to 10V is 100RC. When it reaches 2/3Ucc, the trigger in NE555 is reversing and the output of 3-pin is turning into a low LEV from a high LEV.
Reprinted Url Of This Article:
http://www.seekic.com/circuit_diagram/Amplifier_Circuit/The_long_timing_circuit_of_NE555.html
Print this Page | Comments | Reading(3)
Code: