Published:2011/5/19 20:58:00 Author:Christina | Keyword: monostable trigger | From:SeekIC

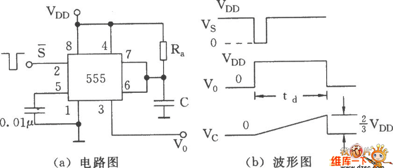
The monostable trigger circuit composed of the 555 is as shown. Each function port is corresponding to this figure. The timing network is composed of the monostable trigger circuit, the resistance Ra and the capacitor C.
Reprinted Url Of This Article:
http://www.seekic.com/circuit_diagram/Amplifier_Circuit/The_monostable_trigger_circuit_composed_of_the_555.html
Print this Page | Comments | Reading(3)
Code: