Published:2011/5/6 1:46:00 Author:Startrek | Keyword: non-Inverting, Amplifier Circuit | From:SeekIC

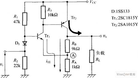
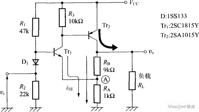
The non-Inverting Amplifier Circuit with NPN and PNP
Reprinted Url Of This Article:
http://www.seekic.com/circuit_diagram/Amplifier_Circuit/The_non_Inverting_DC_Amplifier_Circuit_with_NPN_and_PNP.html
Print this Page | Comments | Reading(3)
Code: