Published:2012/12/11 0:52:00 Author:Ecco | Keyword: pre -stage , bravery circuit | From:SeekIC

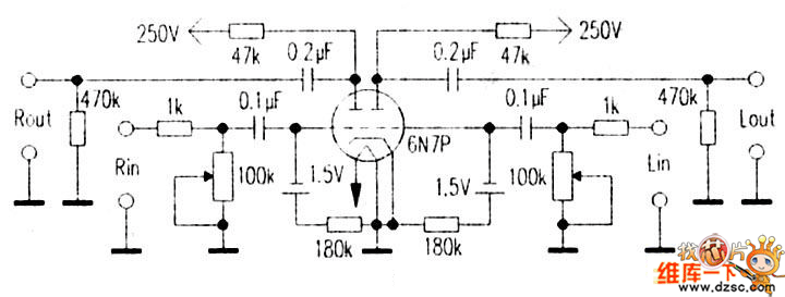
The 6N7P is a common-cathode dual triode with good consistency, and it is used for the push-pull amplifier inverter circuit. This tube has the right characteristics, and it can work at zero gate voltage with mellow sound. In order to appreciate the 6N7P charm, people use 6N7P to form the dual channel pre-stage. And 1.5V battery can be used for gate bias, and the filament is supplied by DC power supply. The 6N7P working point current is 23mA.
Reprinted Url Of This Article:
http://www.seekic.com/circuit_diagram/Amplifier_Circuit/The_pre__stage_circuit_diagram_of_6N7P_bravery_circuit.html
Print this Page | Comments | Reading(3)
Code: