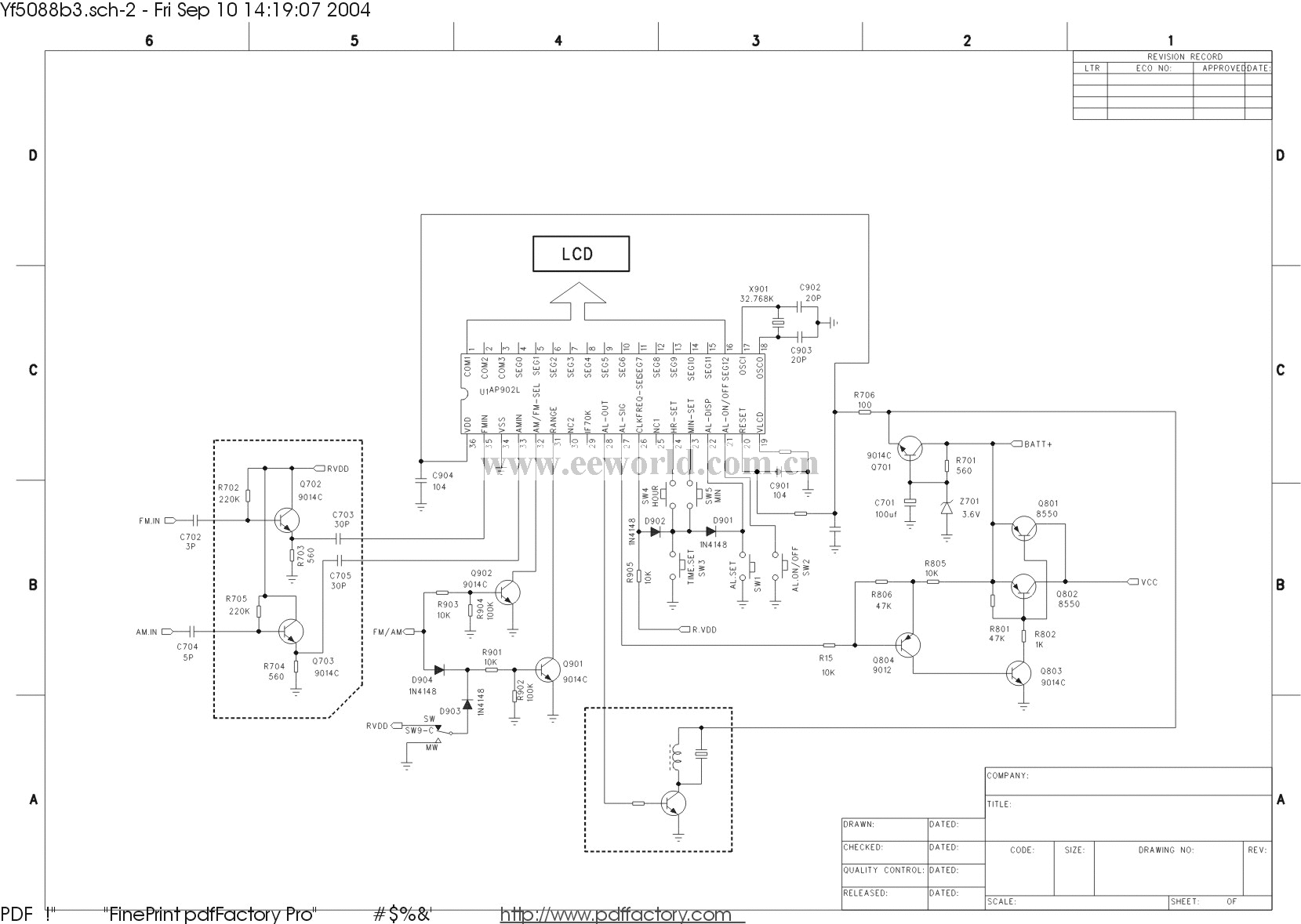
Published:2011/6/3 23:27:00 Author:Seven | Keyword: radio circuit | From:SeekIC

Reprinted Url Of This Article:
http://www.seekic.com/circuit_diagram/Amplifier_Circuit/The_radio_circuit_of_frequency_LED_display_1.html
Print this Page | Comments | Reading(3)
Code: