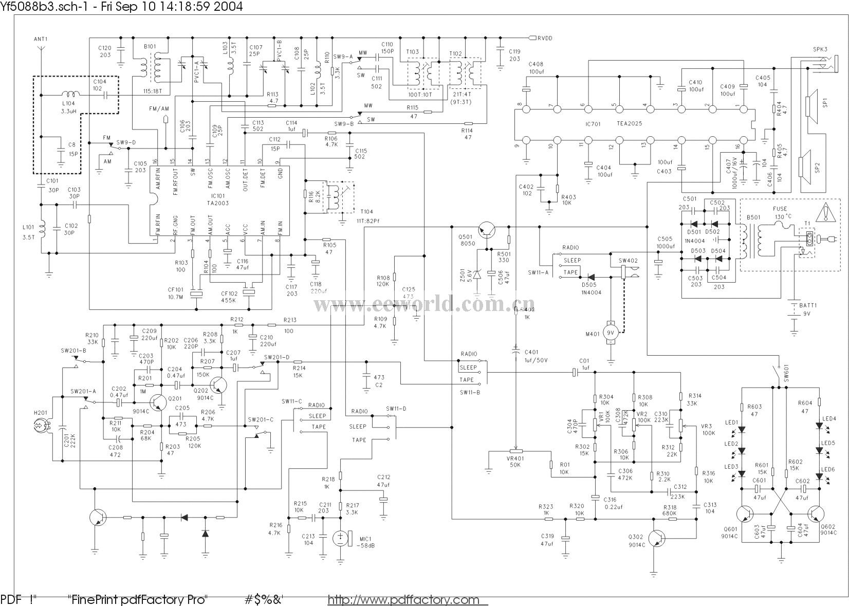
Published:2011/6/10 1:08:00 Author:Seven | Keyword: radio circuit, frequency LCD display | From:SeekIC

Reprinted Url Of This Article:
http://www.seekic.com/circuit_diagram/Amplifier_Circuit/The_radio_circuit_of_the_frequency_LCD_display_2.html
Print this Page | Comments | Reading(3)
Code: