Published:2011/7/4 20:12:00 Author:Borg | Keyword: separation amplifier, photoelectric coupler | From:SeekIC

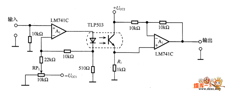
In the figure is the simple separation amplifier circuit of photoelectric coupler. This amplifier is used in the situation of low separation standard, the frequency width is 0~30kHz. In the circuit, RP1 is used to decide the bias, which makes the waveform distortion be the minimum. The DC bias and input signal are added together, which controls the forward current of the LED and makes A1 drive in with the constant current. The resistor R1 converts the current output by the photoelectric transistor into the voltage.
Reprinted Url Of This Article:
http://www.seekic.com/circuit_diagram/Amplifier_Circuit/The_simple_separation_amplifier_circuit_of_photoelectric_coupler.html
Print this Page | Comments | Reading(3)
Code: