Published:2011/7/3 22:11:00 Author:Borg | Keyword: wide band, AC separation amplifier, photoelectric couplers | From:SeekIC

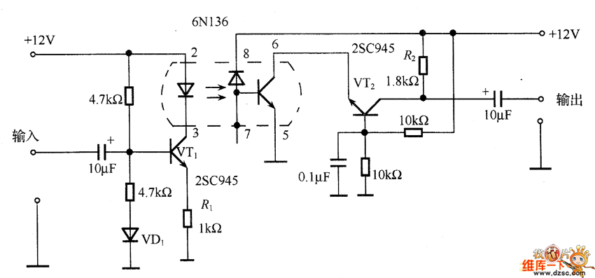
In th figure is the wide band AC separation amplifier circuit of photoelectric couplers. When there's no modulation, the photoelectric coupler must work with a DC bias current which is offered by VT1, VD1 is used to improve the temperature feature of VT1. In the circuit, the 6N136 photoelectric coupler is adopted, the LED of it outputs a very low current which is amplified by the transistor. To improve the frequency feature, the common pole circuit composed of TV2 converts the current into the voltage. The voltage gain is decided by the resistor R2 on the collecting electrode of VT2, the working point adjustment is decided by R1.
Reprinted Url Of This Article:
http://www.seekic.com/circuit_diagram/Amplifier_Circuit/The_wide_band_AC_separation_amplifier_circuit_of_photoelectric_couplers.html
Print this Page | Comments | Reading(3)
Code: