Published:2011/3/28 1:26:00 Author:Rebekka | Keyword: Three-phase full-bridge | From:SeekIC

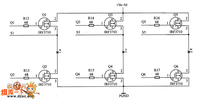
Three-phase full-bridge circuit diagram is shown as below.
Reprinted Url Of This Article:
http://www.seekic.com/circuit_diagram/Amplifier_Circuit/Three_phase_full_bridge_circuit_diagram.html
Print this Page | Comments | Reading(3)
Code: