Published:2011/7/21 2:24:00 Author:Ecco | Keyword: Transistor , audio power amplifier | From:SeekIC

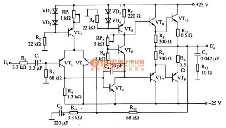
Figure 1 shows the transistor audio amplifier circuit. Flat frequency characteristics of the circuit is 2Hz to 200kHz, and the distortion is below 0.2% at lkHz (30W), and the output power is 30W. VT3 and VT5 form the constant current source circuit, and VT3 collector current is equal to 0.6V / R (RP1), so the resistance of RP1 can be adjusted to change the DC amplifier output bits. VT5 collector current is determined by the 0.6V/R7.
Reprinted Url Of This Article:
http://www.seekic.com/circuit_diagram/Amplifier_Circuit/Transistor_audio_power_amplifier_circuit_diagram.html
Print this Page | Comments | Reading(3)
Code: