Published:2013/3/27 3:51:00 Author:Ecco | Keyword: Tube Mic Pre-Amp | From:SeekIC

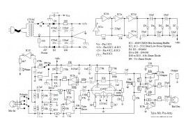
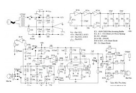
The following diagram is the circuit diagram of tube mic pre amplifier 12AX7. This circuit is little hard to built. You must have an intermediate or advanced skills to build this circuit. All capacitors with value of 33uF are 16V, while the all others are 50V unless marked otherwise. Resistors marked with “#” are 1% metalfilm resistor type.
Reprinted Url Of This Article:
http://www.seekic.com/circuit_diagram/Amplifier_Circuit/Tube_Mic_Pre_Amp.html
Print this Page | Comments | Reading(3)
Code: