Published:2009/7/23 21:57:00 Author:Jessie | From:SeekIC

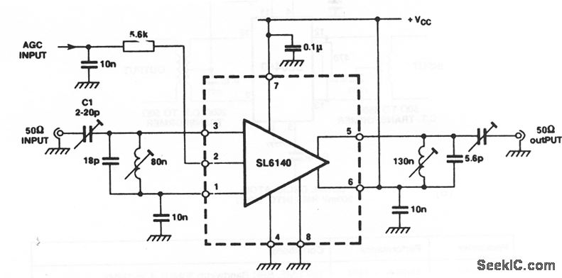
This circuit shows an SL6140 connected as a single-ended amplifier with tuned input and output networks (Fig. 2-40). The bandwidth and gain depend on the Q of the tuned/matching circuits. Using the values shown, the bandwidth is 100 MHz, with a power gain of 35 dB.
Reprinted Url Of This Article:
http://www.seekic.com/circuit_diagram/Amplifier_Circuit/Tuned_amplifier_CM_pinout.html
Print this Page | Comments | Reading(3)
Code: