Published:2009/7/23 22:35:00 Author:Jessie | From:SeekIC

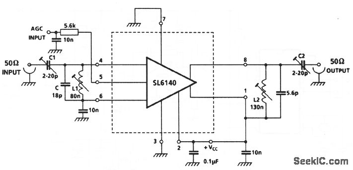
This circuit shows an SL6140 wideband AGC amplifier used as a 100-MHz tuned amplifier with a power gain of 35 dB (Fig 2-19). The high gain is achieved at the expense of bandwidth by means of the matching networks. L1 and L2 are adjusted to set the tuned frequency. C1 and C2 are adjusted to optimize gain.However, if too high an impedance is seen by the input or output, the circuit might oscillate. Adjust C1 and C2 for the minimum bandwidth necessary for the particular application. For best results, use a 50-Ω track ground plane from the matching networks to the 50-Ω source and load.
Reprinted Url Of This Article:
http://www.seekic.com/circuit_diagram/Amplifier_Circuit/Tuned_amplifier_MP_pinout.html
Print this Page | Comments | Reading(3)
Code: