Published:2011/3/28 20:54:00 Author:Rebekka | Keyword: Two motor, driver circuit | From:SeekIC

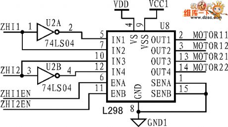
Two motor driver circuit diagram is shown as below.
Reprinted Url Of This Article:
http://www.seekic.com/circuit_diagram/Amplifier_Circuit/Two_motor_driver_circuit_diagram.html
Print this Page | Comments | Reading(3)
Code: