Published:2009/6/22 22:39:00 Author:May | From:SeekIC

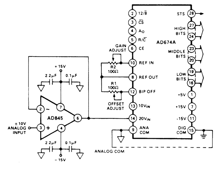
This buffer is suitable for ADCs of 12 bits bandwidth of 5μs or greater.The wide bandwidth of the AD845 ensures a low output impedance at higher frequencies in the voltage follower (buffer) configuration.
Reprinted Url Of This Article:
http://www.seekic.com/circuit_diagram/Amplifier_Circuit/UNITY_GAIN_ADC_BUFFER.html
Print this Page | Comments | Reading(3)
Code: