Published:2009/7/9 3:17:00 Author:May | From:SeekIC

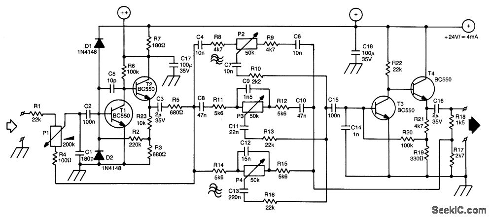
A line amplifier is always a useful unit to have around, whether it is for matching a line signal or raising its level somewhat. This might be needed during a recording session or with a public-address system. Furthermore, a line mixer can be constructed from a number of these amplifiers. The input of the amplifier is high-voltage proof. The output impedance is low.
The circuit is a conventional design: two dc-coupled stages of amplification are separated by a three-fold Baxandall tone control system. The volume control at the input is conspicuous by having its cold side connected, not to ground, but to the output of the first amplifier. Because the signal there is out of phase with the input signal, the amplifier obtains negative feedback via P1. The amplification is therefore inversely proportional to the magnitude of the input signal. Thus, it is possible for the amplifier to accept a wide range of input levels. It is quite possible to input a signal taken directly from the loudspeaker termi-nals of a power amplifier.
The supply voltage is 24 V. At that voltage, the amplifier draws a current of about 4 mA. If several amplifiers are used in conjunction (as, for instance, in a mixer panel), the various supplies (+ and ++ in the diagram) can be interlinked. Capacitors C17 and C18, and resistor R7 don't need to be duplicated in that case.
Reprinted Url Of This Article:
http://www.seekic.com/circuit_diagram/Amplifier_Circuit/UNIVERSAL_AUDIO_LINE_AMPLIFIER.html
Print this Page | Comments | Reading(3)
Code: