Published:2009/7/9 22:41:00 Author:May | From:SeekIC


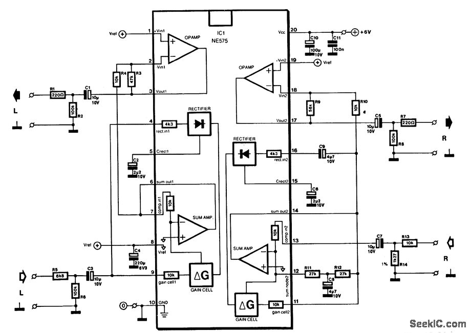
Signetics' type NE575 compander IC is intended primarily for use with battery power supplies of 3 to 7 V (max. 8 V). It draws a current of 3.5 mA at 3 V and 5 mA at 7 V. The compander process (compression at the input, expansion at the output) significantly improves the signal-to-noise ratio in a communications link.
The IC contains two almost identical circuits, of which one (pins 1 to 9) is arranged as an expander. The other (pins 11 to 19) can be used as expander, compressor or automatic load control (ALC), depend-ing on the externally connected circuit. For the compressor function, the inverting output of the internal summing amplifier is brought out to pin 12. This is not the case in the expander section, where a reference voltage is available at pin 8. This pin is interlinked to pins 1 and 19 to enable the setting of the dc operating point of the op amps.
The op amp in the expander section, pins 1 through 3, serves as output buffer in the compressor section, pins 17 through 19 as the input buffer. The IC has a relatively high output sensitivity and is evi-dently intended for processing small signals (microphone output level). A signal of 100 mV, for instance, is amplified by 1 only. The present circuit caters to larger input signals (line level); its maximum input level is 1.5 Vrms.
With a 1-V input into R13, a potential of about 500 mV exists between compressor output R7 and expander input R5. The compression characteristic is shown in Fig. 19-2(b). The signal range is reduced by about one half at the output, which is doubled in the expander. Thus, the range after compression and expansion is the same again, but that is not necessarily the case with the input and output level. The com-pander can be arranged to provide a constant attenuation or amplification. With the circuit values as shown in the diagram, the input and output levels are the same. The prototype had an overall gain of 0.5 dB when the expander input was connected directly to the compressor output.
To allow acceptance of high input levels, R13, R14, and the compressor input resistance form a 10:1 attenuator. At the expander input, R5 and the expander input impedance of about 3 k0 form a potential divider. If the compander is to be used with smaller signals, the attenuation can be reduced as appropriate. If the input level lies below 100 mV, R5, R13 and R14 can be omitted.
The compander covers the frequency range of 20 Hz to 20 kHz, the overall distortion is less than 1%, and the signal-to-noise ratio is about 80 dB.
Reprinted Url Of This Article:
http://www.seekic.com/circuit_diagram/Amplifier_Circuit/UNIVERSAL_COMPANDER.html
Print this Page | Comments | Reading(3)
Code: