Published:2011/3/30 21:24:00 Author:Ecco | Keyword: U Disk | From:SeekIC

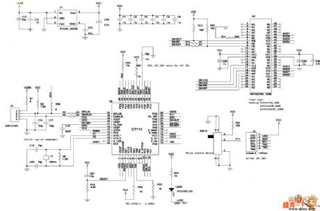
U disk circuit diagram is as below:
Reprinted Url Of This Article:
http://www.seekic.com/circuit_diagram/Amplifier_Circuit/U_disk_circuit_diagram.html
Print this Page | Comments | Reading(3)
Code: