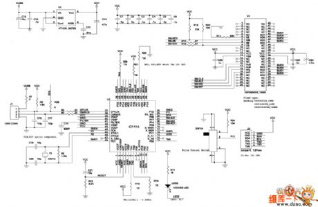
Published:2011/5/26 8:13:00 Author:Christina | Keyword: U disk, circuit principle | From:SeekIC

Reprinted Url Of This Article:
http://www.seekic.com/circuit_diagram/Amplifier_Circuit/U_disk_circuit_principle_diagram.html
Print this Page | Comments | Reading(3)
Code: