Published:2011/3/21 0:57:00 Author:may | Keyword: Ultra-stable, zero, ampilifier | From:SeekIC

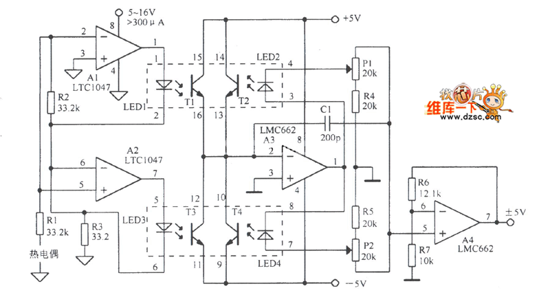
Ultra-stable zero amplifier circuit is show in the following diagram:
Reprinted Url Of This Article:
http://www.seekic.com/circuit_diagram/Amplifier_Circuit/Ultra_stable_zero_amplifier_circuit.html
Print this Page | Comments | Reading(3)
Code: