Published:2011/5/2 9:06:00 Author:Christina | Keyword: Ultrashort wave, antenna, amplifier | From:SeekIC

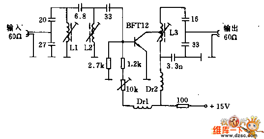
The Ultrashort wave antenna amplifier circuit is as shown:
Reprinted Url Of This Article:
http://www.seekic.com/circuit_diagram/Amplifier_Circuit/Ultrashort_wave_antenna_amplifier_circuit.html
Print this Page | Comments | Reading(3)
Code: