Published:2011/3/28 21:25:00 Author:Rebekka | Keyword: Ultrasonic transmitter, driver circuit | From:SeekIC

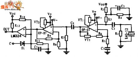
Ultrasonic transmitter and driver circuit diagramis shown as below.
Reprinted Url Of This Article:
http://www.seekic.com/circuit_diagram/Amplifier_Circuit/Ultrasonic_transmitter_and_driver_circuit_diagram.html
Print this Page | Comments | Reading(3)
Code: