Published:2009/7/19 21:33:00 Author:Jessie | From:SeekIC

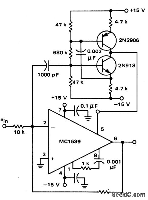
Unity-gain feed toward amplifier using an MC1539 op amp (courtesy Motorola Semiconductor Products Inc.).
Reprinted Url Of This Article:
http://www.seekic.com/circuit_diagram/Amplifier_Circuit/Unity_gain_feed_toward_amplifier_using_an_MC1539_op_amp.html
Print this Page | Comments | Reading(3)
Code: