Published:2011/4/26 3:17:00 Author:Rebekka | Keyword: pre-amplifier circuit | From:SeekIC

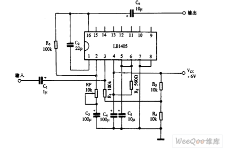
Using LB1405 as pre-amplifier circuit diagram is shown as above.
Reprinted Url Of This Article:
http://www.seekic.com/circuit_diagram/Amplifier_Circuit/Using_LB1405_as_pre_amplifier_circuit_diagram.html
Print this Page | Comments | Reading(3)
Code: