Published:2009/6/18 23:33:00 Author:May | From:SeekIC

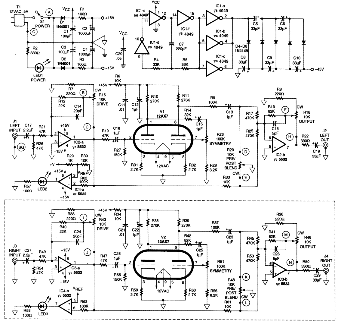
This schematic is for a tubehead amplifier. The output from transformer T1 is positive half-wave ac rectified by Dl and filtered by C1, C2, and RI for a +15-V supply. A -15-V supply is avail-able from D2, C3, C4, and R3. The plate supply for the 12AX7 tubes is produced by a voltage multi-plier.Some listeners prefer the sound of a vacuum tube audio system. Although this is rather subjective and a personal preference, this circuit can be used to simulate the tube sound preferred by these listeners.
Reprinted Url Of This Article:
http://www.seekic.com/circuit_diagram/Amplifier_Circuit/VACUUM_TUBE_AUDIO_AMPLIFIER.html
Print this Page | Comments | Reading(3)
Code: