Published:2009/7/15 20:30:00 Author:Jessie | From:SeekIC

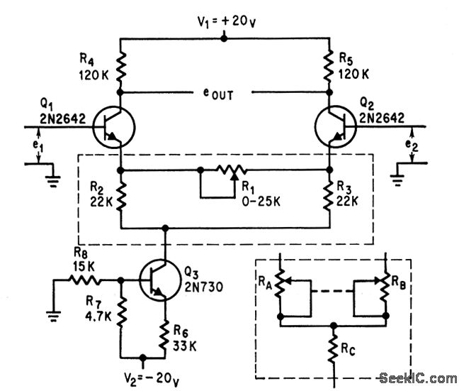
R1 controls gain. High dynamic impedance of constant-current source gives differential amplifier Q1-Q2 high common-mode rejection ratio.-G. Beene, Variable Resistor Controls Differential Amplifier Gain, Electronics, 37:29, p74.
Reprinted Url Of This Article:
http://www.seekic.com/circuit_diagram/Amplifier_Circuit/VARIABLE_GAIN_DIFFERENTIAL.html
Print this Page | Comments | Reading(3)
Code: