Published:2009/7/21 9:06:00 Author:Jessie | From:SeekIC

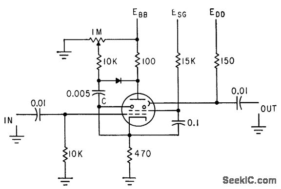
Biased diode in feedback circuit prevents regeneration.Feedback cannot occur until negative-going pulse greater then bias appears at plate of secondary-emission pentode. Diode bias varies sensitivity, allowing use as pulse-height discriminator also.-E. J. Martin, Jr., How to Use the Secondary-Emission Pentacle, Electronics, 33:41, p 60-63.
Reprinted Url Of This Article:
http://www.seekic.com/circuit_diagram/Amplifier_Circuit/VARIABLE_SENSITIVITY_TRIGGER.html
Print this Page | Comments | Reading(3)
Code: