Published:2009/6/28 23:30:00 Author:May | From:SeekIC

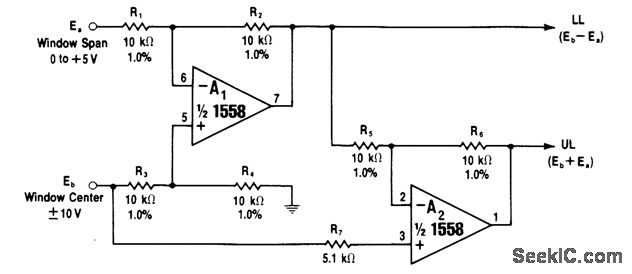
Single comparator can be programmed for wide variety of applications. One reference input voltage positions center of window, and other sets width of window. Sum or difference of reference voltages must not exceed ±10 V; if larger voltages must be handled, add voltage divider to scale them down into comparison range. A1 is subtractor, generating voltage Eb - Ea for use as lower limit voltage. Lower limit is added to 2Eb at A2 to derive upper Iimit voltage Eb + Ea.-W. G. Jung, IC Op-Amp Cookbook, Howard W. Sams, Indianapolis, IN, 1974, p 232-233.
Reprinted Url Of This Article:
http://www.seekic.com/circuit_diagram/Amplifier_Circuit/VARIABLE_WINDOW.html
Print this Page | Comments | Reading(3)
Code: