Published:2009/6/19 4:53:00 Author:May | From:SeekIC

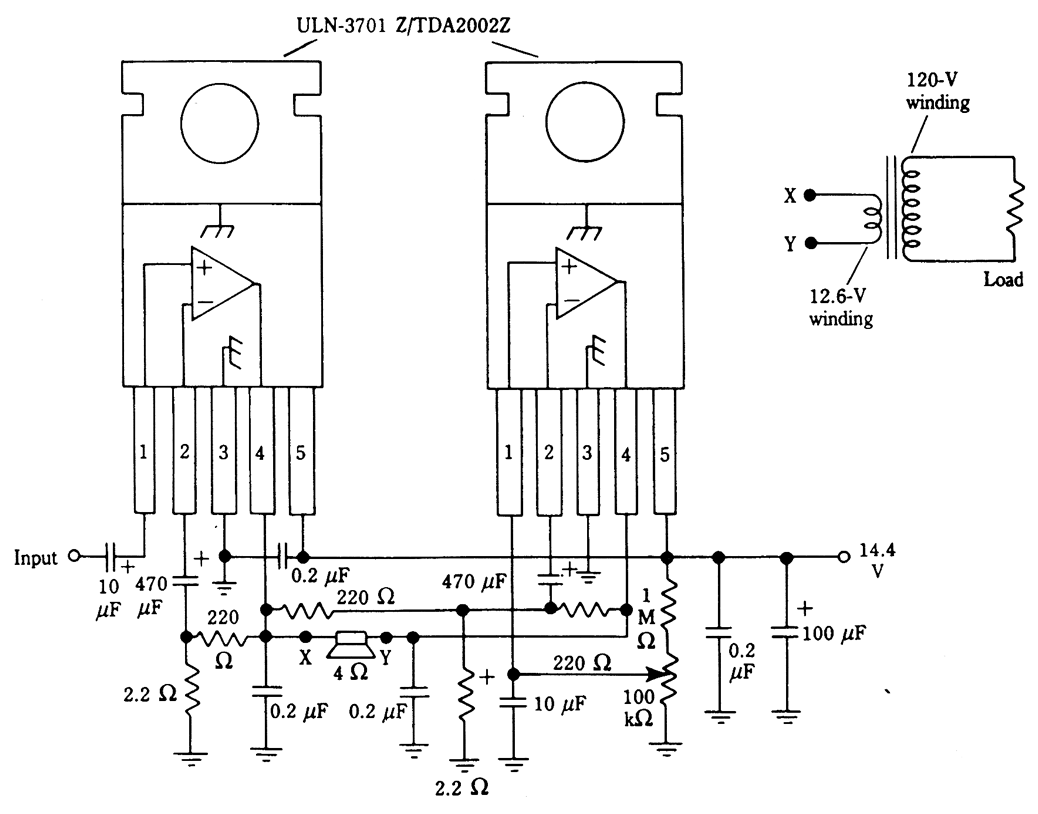
An audio amplifier can drive a step-up transformer to obtain 120 Vac.
Reprinted Url Of This Article:
http://www.seekic.com/circuit_diagram/Amplifier_Circuit/VEHICLE_AUDIO_AMPLIFIER_INVERTER.html
Print this Page | Comments | Reading(3)
Code: