Published:2009/6/23 22:25:00 Author:Jessie | From:SeekIC

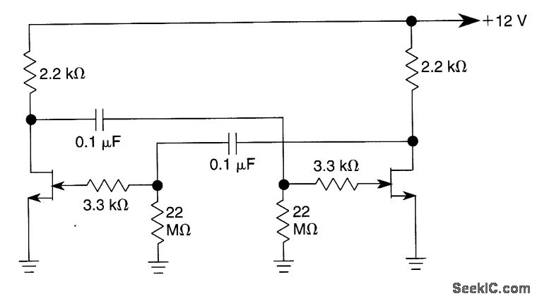
The use of JFETs permits, high resistance and long time constants in this very low frequency multivibrator. The values shown are for 0.15 Hz operation.
Reprinted Url Of This Article:
http://www.seekic.com/circuit_diagram/Amplifier_Circuit/VERY_LOW_FREQUENCY_MULTIVIBRATOR.html
Print this Page | Comments | Reading(3)
Code: