Published:2009/7/21 22:26:00 Author:Jessie | From:SeekIC

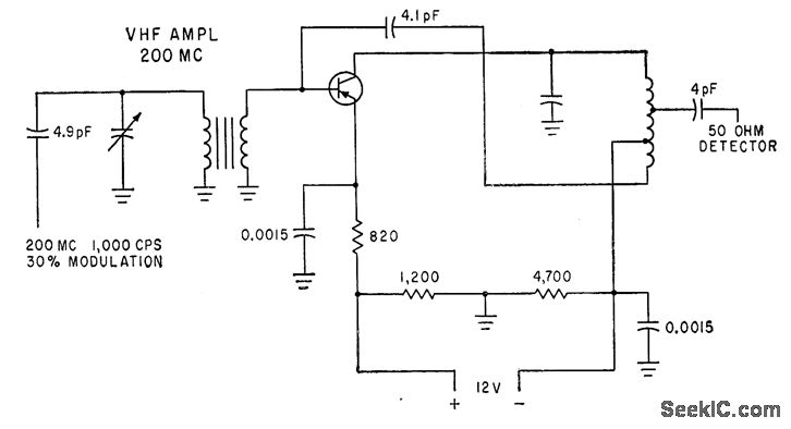
Has 6xed match, neutralization, and bias for use as standard test circuit for transistors in tv or vhf r-f amplifier stage. With 2N1742 transistor, power gain is 19 db, bandwidth up to 16 Mc, and maximum noise 5.5 db. -G. J. Flynn, Engineering Trends in Consumer Electronics, Electronics, 34:1, p 115-117.
Reprinted Url Of This Article:
http://www.seekic.com/circuit_diagram/Amplifier_Circuit/VHF_TRANSISTOR_AMPLIFIER_TESTER.html
Print this Page | Comments | Reading(3)
Code: