Published:2009/6/30 21:13:00 Author:May | From:SeekIC

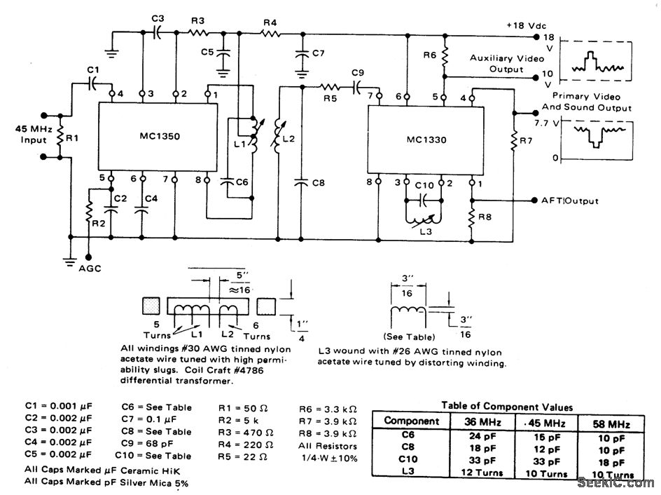
The circuit has a typical voltage gain of 84 dB and a typical AGC range of 80 dB. It gives very small changes in bandpass shape, usually less than 1 dB tilt for 60 dB compression. There are no shielded sections. The detector uses a single tuned circuit (L3 and C10). Cou-pling between the two integrated circuits is achieved by a double tuned transformer (L1 and L2).
Reprinted Url Of This Article:
http://www.seekic.com/circuit_diagram/Amplifier_Circuit/VIDEO_IF_AMPLIFIER_AND_LOW_LEVEL_VIDEO_DETECTOR_CIRCUIT.html
Print this Page | Comments | Reading(3)
Code: