Published:2009/6/24 21:53:00 Author:May | From:SeekIC

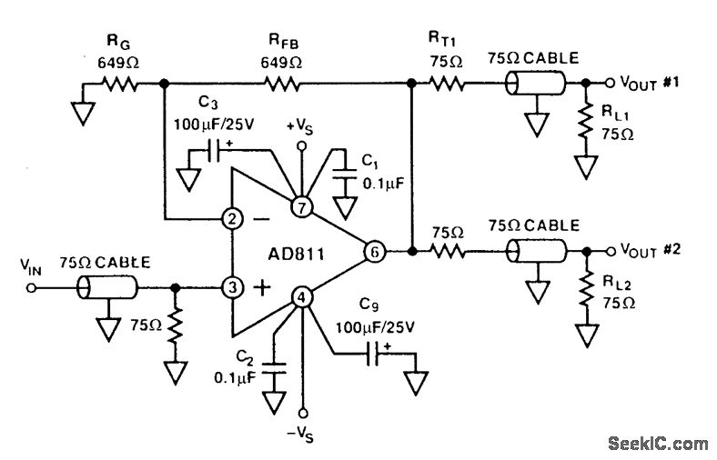
This video buffer/line driver operates at a gain of +2 and drives a pair of 75-Ω lines with 75-Ω back terminations. The overall terminated gain is unity.
Reprinted Url Of This Article:
http://www.seekic.com/circuit_diagram/Amplifier_Circuit/VIDEO_LINE_DRIVER.html
Print this Page | Comments | Reading(3)
Code: