Published:2012/10/9 2:41:00 Author:muriel | Keyword: 144 MHz, Push Pull, DV28120T, amplifier | From:SeekIC


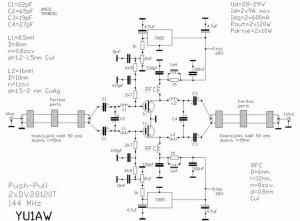
This is a 2 meters 144 Mhz rf amplifier wich works in push pull and is build with DV28120T Vmos.You can use coils made form RG142 coaxial cable or similar, 620mm long , 5mm diameter, 6 turns with inside diameter 30mm no gaps between.
VMOS RF amplifier circuit diagram
Reprinted Url Of This Article:
http://www.seekic.com/circuit_diagram/Amplifier_Circuit/VMOS_144_MHz_Push_Pull_DV28120T_amplifier.html
Print this Page | Comments | Reading(3)
Code: