Published:2009/7/12 21:44:00 Author:May | From:SeekIC

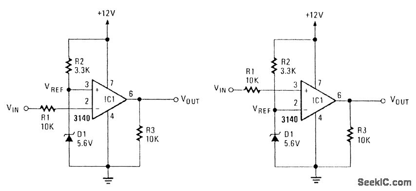
These two comparators are over- and under-voltage comparators. In Fig. 104,5(a), if VIN exceeds the reference voltage, the output of IC1 goes low. In Fig. 104-5(b). if the VIN exceeds the reference, VOUT goes high.
Reprinted Url Of This Article:
http://www.seekic.com/circuit_diagram/Amplifier_Circuit/VOLTAGE_COMPARATORS.html
Print this Page | Comments | Reading(3)
Code: